Mål og tolerancer iht. EN 612
Rendejern |
længde [mm] |
afvigelse fra standardlængde [mm] |
|
rendejern 250 |
335 |
||
rendejern 250 (korte) |
287 |
- |
48 |
rendejern 280 |
347 |
||
rendejern 280 (kort) |
297 |
- |
50 |
rendejern 280 (lang) |
445 |
+ |
98 |
rendejern 333 |
383 |
||
rendejern 333 (kort) |
312 |
- |
71 |
rendejern 333 (lang) |
473 |
+ |
90 |
rendejern 400 |
452 |
Rendejern til firkantet tagrende |
længde [mm] |
rendejern til firkantet tagrende 250 |
325 |
rendejern til firkantet tagrende 333 |
370 |
rendejern til firkantet tagrende 400 |
435 |
rendejern til firkantet tagrende 500 |
455 |
Konsoljern |
længde [mm] |
konsoljern 250 |
135 |
konsoljern 280 |
139 |
konsoljern 333 |
154 |
Konsoljern til firkantet tagrende |
længde [mm] |
Konsoljern til firkantet tagrende 250 |
130 |
konsoljern til firkantet tagrende 333 |
145 |
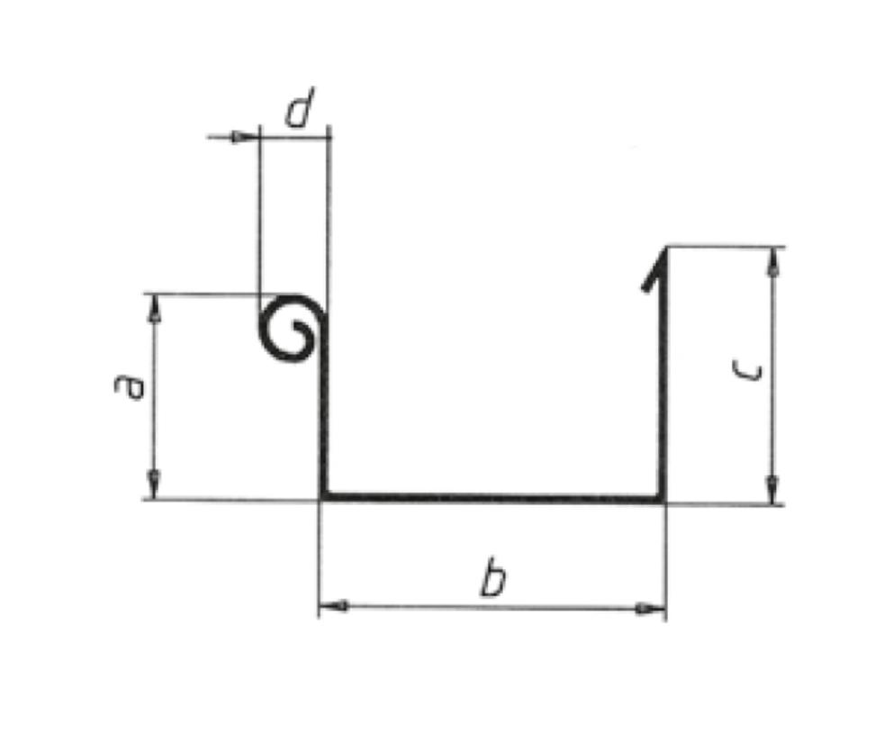
tagrendemål |
Forside a |
Bagside c |
Rende e |
Vulst d |
250 (8 dele) |
61 |
72 |
110 |
19 |
280 (7 dele) |
67 |
78 |
126 |
19 |
333 (6 dele) |
87 |
98 |
153 |
19 |
400 (5 dele) |
110 |
121 |
192 |
19 |
Mål i mm
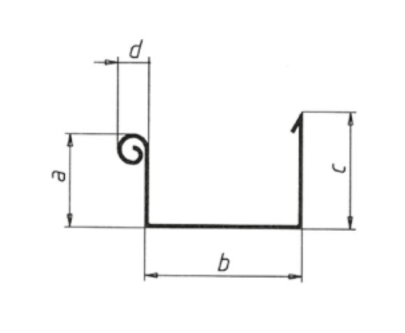
tagrendemål |
Forside a |
Bagside c |
Rende e |
Vulst d |
250 (8 dele) |
54 |
63 |
86 |
19 |
333 (6 dele) |
75 |
93 |
120 |
19 |
400 (5 dele) |
92 |
113 |
150 |
19 |
500 (4 dele) |
114 |
142 |
200 |
19 |
Mål i mm
rendevinkel 90° (udvendig) |
længde [mm] |
gering 250 |
300 |
gering 280 |
300 |
gering 333 |
300 |
gering 400 |
340 |
Gering 90° (indvendig) |
længde [mm] |
gering 250 |
300 |
gering 280 |
300 |
gering 333 |
300 |
gering 400 |
340 |
Hjørne til firkantet tagrende 90° (udvendig) |
længde [mm] |
firkantet tagrende gering 250 |
300 |
firkantet tagrende gering 333 |
300 |
firkantet tagrende gering 400 |
300 |
firkantet tagrende gering 500 |
370 |
Hjørne til firkantet tagrende 90° (indvendig) |
længde [mm] |
firkantet tagrende gering 250 |
300 |
Firkantet tagrende gering 333 |
300 |
firkantet tagrende gering 400 |
300 |
firkantet tagrende gering 500 |
350 |
Der kan kun downloades indhold fra én produktkategori. Hvis du har brug for indhold fra flere kategorier, skal du oprette en separat download for hvert produktområde.