Inspiration oversigt Referencer Hus-Konfigurator Fotomontage Byggetips
produkter oversigt Tag Facade Tagafvanding Solcelle Højvandsbeskyttelse Coils og plader
Service oversigt Hus-Konfigurator Fotomontage Bestil brochurer Find bygningshåndværkere i nærheden Anmod om garanticertifikat Messen Spørgsmål og svar Din kontaktperson hos PREFA Klager og reklamationer Til instalatører Til arkitekter
Fordele oversigt Aluminium byggemateriale Specialtemaer
Virksomheden oversigt Om os Jobtilbud News Presse
Kontakt oversigt Din kontaktperson hos PREFA Kontaktformular Bestil brochurer
Referencer oversigt Referenceobjekter Arkitektoniske højdepunkter Renoveringsgalleri
Byggetips oversigt Tagrenovering Renovering af facader Facadedesign Facader af træ og aluminium Det rigtige tag til dit enfamiliehus Solceller let forklaret Aluminiumstag i tegllook
Til instalatører oversigt Instruktør: Hjælp på stedet Monteringsvejledning & Videoer Reklamemateriale, logoer & prøvebestilling Om tagopbygningen
Til arkitekter oversigt Oplev PREFARENZEN Bestil arkitekturbog og arkitektmappe Downloadcenter BIM Om tagopbygningen
Aluminium byggemateriale oversigt 40 års garanti Bæredygtighed Komplettsystem Stormsikker
Specialtemaer oversigt Brandsikring Bygningsfredning
Om os oversigt Familieforetagendet PREFA Vores værdier og målsætninger Bæredygtighed
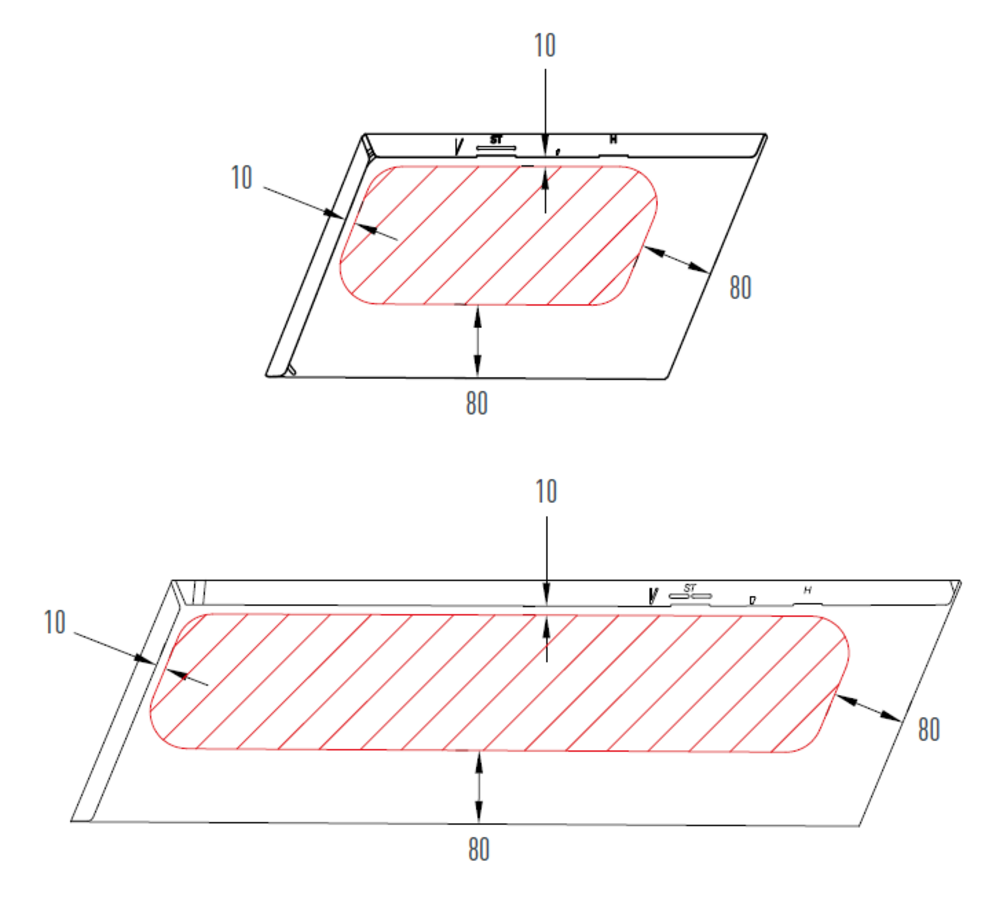
Hvis du skal montere noget på facaden (f.eks. lamper), skal du under monteringen være opmærksom på vægspånenes tilladte monteringsområde. Hvis det ikke er muligt at overholde monteringsområdet, skal der indfalses en underlagsplade.
Der kan kun downloades indhold fra én produktkategori. Hvis du har brug for indhold fra flere kategorier, skal du oprette en separat download for hvert produktområde.