Monteringsvejledning
Monteringsvejledning
Venligst vælg en eller flere kapitler til download.
Indholdsfortegnelse

Antal fastgørelser og FASTGØRELSESAFSTANDE

Bemærk

Dette kapitel kan ikke anvendes på grund af afvigende nationale regelsamlinger for Tyskland og Schweiz. Kontakt den tekniske service i de pågældende lande for at få flere oplysninger!

Fastgørelse med fast- og glidehafte udføres iht. krav til statik. Nationale standarder og tekniske forskrifter kan indeholde afvigende bestemmelser, som skal tages i betragtning. I de nedenstående tabeller finder du angivelse af det minimale antal fastgørelser [Stück/m²] afhængigt af terrænkategori,  bygningshøjde og basisvindhastighed.

Forenklet dimensionering af minimalt antal fastgørelser for faste og glidehafte

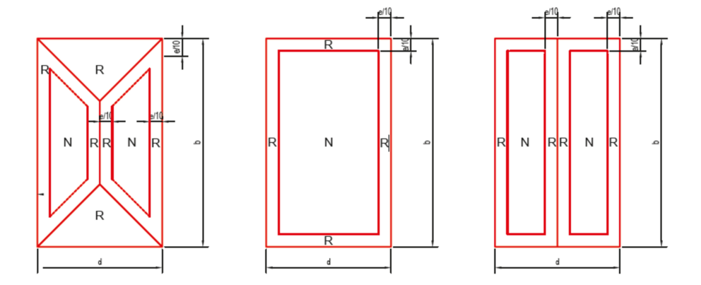
De angivne minimale antal fastgørelser tager hensyn til en delsikkerhedskoefficient på 1,35 og skal forstås som teoretisk beregnede værdier. R = randområde (koefficient for udvendigt tryk cpe = –2,9), N = normalområde (koefficient for udvendigt tryk = –1,3).

Terrænkategori II

Tryk ved basishastighed [kN/m²]

Basishastighed [m/sec]

Bygningshøjde < 15 [m]

Bygningshøjde 15 - 30 [m]

Bygningshøjde 15 - 30 [m]

N | R [Stk./m²]

N | R [Stk./m²]

N | R [Stk./m²]

≤ 0,32

≤ 22,5

3,7 | 8,2

4,3 | 9,7

4,9 | 10,9

≤ 0,39

≤ 25,0

4,5 | 10,0

5,3 | 11,8

6,0 | 13,3

≤ 0,47

≤ 27,5

5,4 | 12,0

6,4 | 14,2

7,2 | 16,1

≤ 0,56

≤ 30,0

6,4 | 14,3

7,6 | 16,9

8,6 | 19,1

Terrænkategori III

Tryk ved basishastighed [kN/m²]

Basishastighed [m/sec]

Bygningshøjde < 15 [m]

Bygningshøjde 15 - 30 [m]

Bygningshøjde 15 - 30 [m]

N | R [Stk./m²]

N | R [Stk./m²]

N | R [Stk./m²]

≤ 0,32

≤ 22,5

3,1 | 7,0

3,8 | 8,5

4,4 | 9,9

≤ 0,39

≤ 25,0

3,8 | 8,5

4,7 | 10,4

5,4 | 12,0

≤ 0,47

≤ 27,5

4,6 | 10,2

5,6 | 12,5

6,5 | 14,5

≤ 0,56

≤ 30,0

5,5 | 12,2

6,7 | 14,9

7,7 | 17,3

Terrænkategori IV

Tryk ved basishastighed [kN/m²]

Basishastighed [m/sec]

Bygningshøjde < 15 [m]

Bygningshøjde 15 - 30 [m]

Bygningshøjde 15 - 30 [m]

N | R [Stk./m²]

N | R [Stk./m²]

N | R [Stk./m²]

≤ 0,32

≤ 22,5

2,2 | 5,0

2,9 | 6,4

3,5 | 7,8

≤ 0,39

≤ 25,0

2,7 | 6,0

3,5 | 7,9

4,3 | 9,5

≤ 0,47

≤ 27,5

3,3 | 7,3

4,2 | 9,5

5,2 | 11,5

≤ 0,56

≤ 30,0

3,9 | 8,7

5,1 | 11,3

6,1 | 13,7

Forenklet dimensionering af minimalt antal fastgørelser for lang glidehafte

De angivne minimale antal fastgørelser tager hensyn til en delsikkerhedskoefficient på 1,35 og skal forstås som teoretisk beregnede værdier. R = randområde (koefficient for udvendigt tryk cpe = –2,9), N = normalområde (koefficient for udvendigt tryk = –1,3).

Terrænkategori II

Tryk ved basishastighed [kN/m²]

Basishastighed [m/sec]

Bygningshøjde < 15 [m]

Bygningshøjde 15 - 30 [m]

Bygningshøjde 15 - 30 [m]

N | R [Stk./m²]

N | R [Stk./m²]

N | R [Stk./m²]

≤ 0,32

≤ 22,5

4,2 | 9,3

4,9 | 10,9

5,5 | 12,4

≤ 0,39

≤ 25,0

5,1 | 11,3

6,0 | 13,3

6,8 | 15,1

≤ 0,47

≤ 27,5

6,1 | 13,6

7,2 | 16,1

8,1 | 18,2

≤ 0,56

≤ 30,0

7,3 | 16,2

8,6 | 19,1

9,7 | 21,6

Terrænkategori III

Tryk ved basishastighed [kN/m²]

Basishastighed [m/sec]

Bygningshøjde < 15 [m]

Bygningshøjde 15 - 30 [m]

Bygningshøjde 15 - 30 [m]

N | R [Stk./m²]

N | R [Stk./m²]

N | R [Stk./m²]

≤ 0,32

≤ 22,5

3,5 | 7,9

4,3 | 9,6

5,0 | 11,2

≤ 0,39

≤ 25,0

4,3 | 9,6

5,3 | 11,7

6,1 | 13,6

≤ 0,47

≤ 27,5

5,2 | 11,6

6,3 | 14,1

7,4 | 16,4

≤ 0,56

≤ 30,0

6,2 | 13,8

7,6 | 16,9

8,8 | 19,5

Terrænkategori IV

Tryk ved basishastighed [kN/m²]

Basishastighed [m/sec]

Bygningshøjde < 15 [m]

Bygningshøjde 15 - 30 [m]

Bygningshøjde 15 - 30 [m]

N | R [Stk./m²]

N | R [Stk./m²]

N | R [Stk./m²]

≤ 0,32

≤ 22,5

2,5 | 5,6

3,3 | 7,3

4,0 | 8,9

≤ 0,39

≤ 25,0

3,1 | 6,8

4,0 | 8,9

4,8 | 10,8

≤ 0,47

≤ 27,5

3,7 | 8,2

4,8 | 10,7

5,8 | 13,0

≤ 0,56

≤ 30,0

4,4 | 9,8

5,7 | 12,8

6,9 | 15,5

Beregning af afstanden mellem hafterne

Bemærk

Afstanden mellem hafterne må uafhængigt af de beregnede værdier i fasthafteområdet ikke overskride 330 mm og i glidehafteområdet 500 mm. I området med fastklemte anordninger på falsene (snebeskyttelse, solcelleunderkonstruktion, tagsikkerhed) må afstanden mellem hafterne ikke overskride 330 mm!

Beregning af afstanden mellem hafterne på grundlag af panelbredden samt det nødvendige antal hafter/m².

100 : (banebredde [m] × antal hafter [Stk./m²]) = afstand mellem hafterne [cm] [max. Haftabstand 50 cm, max. Festhaftabstand 33 cm]

Bemærkning

e = b eller 2*h (den mindste værdi er afgørende) - afstanden relaterer til grundfladen

ed = afstandsmål på tagfladen; ed= (e/10) / (cos)

b=største bygningsbredde

h=største bygningshøjde

a = taghældning

Eksempel

Placering

Innsbruck

Bygning i terrænkategori

II

Største bygningshøjde

10,5 m

Basishastighed

27,1 m/sec

Maks. Banebredde iht. tabel 1

43 cm

Antal hafte for randområde iht. tabel 2

12,0 Stk./m²

Antal hafte for normalområde iht. tabel 2

5,4 Stk./m²

Randområde (R) = 100 : (0,43 m × 12,0 stk./m²) = 19,4 cm → 19 cm afstand mellem hafter [max. Haftabstand 50 cm, max. Festhaftabstand 33 cm]

Normalområde (N) = 100 : (0,43 m × 5,4 stk./m²) = 43,1 cm → 43 og 33 cm afstand mellem hafter [max. Haftabstand 50 cm, max. Festhaftabstand 33 cm]